Lefoo 2000 - 2025
Lefoo 2000 - 2025
Email Us

LFLUGB
Vortex Flowmeter

get a quote get a quote PDF Download PDF Download
  • High accuracy, linearity and stability.

  • Simple and firm structure, no moving parts, high reliability.

  • Good reliability and anti-interference performance.

  • Wide range of applications, the flow of steam, gas and liquid can be measured.

  • Smaller pressure loss, lower operating cost and more energy saving.

SPECIFICATION
DRIFT DIAMETER PARAMETER
Documents & Drawings
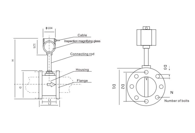
Dimension
Related Application

SPECIFICATION

Nominal Diameter20-600mm
Maximum Flow Rate10m/s
Output Signal4-20mA, HART, RS485(optional)
InstallationWafer-Type flange mounting
Accuracy1.5%FS
Fluid Conductivity≥5 μS/cm
Power Supply24VDC(integrated), 220VAC (split), 3.6V battery power (integrated)
Consumed Power≤0.5W
Nominal Pressure4.0MPa, 2.5MPa, 1.6MPa
Ambient Temperature-10°C-60°C
Flange MaterialCarbon steel, Stainless steel (304, 316, 316L)
Protection GradesIP65


DRIFT DIAMETER PARAMETER

Nominal diameter (mm)Liquid (medium: normal temperature water)Gas (medium: 20°C, air under 101325Pa)
201-88-50
251.5-1210-80
402.5-3025-200
503-5030-300
655-8050-500
808-12080-800
10012-200120-1200
12520-300160-1600
15030-400250-2500
20050-800400-4000
25080-1200600-6000
300100-16001000-10000
400200-30001600-16000
500300-50002500-25000
600500-80004000-40000


Documents & Drawings

Dimension

Dimension

Related Application

Contact Us
Any Need for LEFOO's products and supports?
sales@lefoo.com
E-mail
sales@lefoo.com
+86-0571-89293262
Call Us
+86-0571-89293262
Address
Address
NO.220 Weishiwu Rd. Economic Development Zone, Yueqing Zhejiang, 325600, China.
Please choose your items of interest *
We use cookies to optimise and personalise your experience, but you can choose to opt out of non-essential cookies.
To find out more, read our Privacy Policy
Reject All
Accept All