Lefoo 2000 - 2025
Lefoo 2000 - 2025
Email Us

LFS72
Explosion-Proof Air Speed Transmitter

get a quote get a quote PDF Download PDF Download

LFS72 Explosion-proof Air Velocity Transmitter is suitable for gas fow measurement in Explosion-proof environments. lt can convert the flow rate of gas into an electrical signal and transmit it to the control system. The range can be adjusted on-site through buttons, and the IP65 protection grade casing is used. lt is suitable for energy management systems, VAV and fan control, environmental polution control, smoke hood control, oven and boiler ventilation control and other fields.

  • High-precision MEMS micro-pressure core, high precision and wide operating temperature range.

  • Clear LCD digital display.

  • Zero button available on-site, wind speed range adjustable.

  • Strong stability and long service life.

  • IP65 protection grade housing.

SPECIFICATION
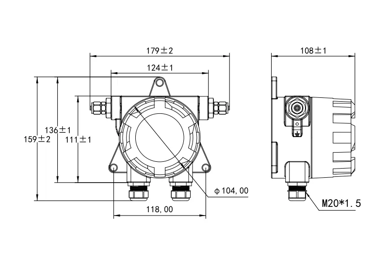
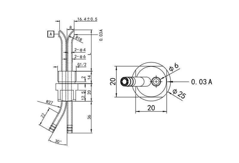
Dimension
Documents & Drawings
Related Application

SPECIFICATION

Measurement MediumAir or neutral gas
RangeSpeed: 0~10 m/s, 0~20 m/s, 0~30 m/s, 0~40 m/s(Range can be customized.)
Over Voltage10KPa
Accuracy±3.0%FS(Speed>3m/s)
Working TemperatureHost machine: -20℃~80℃; Probe: -40℃~450℃
Compensation Temperature-10℃~60℃
Storage TemperatureHost machine: -40℃~85℃
Response Time0.5s(default)/1.0s/2s /4s
Protection DegreeIP65
Pressure ConnectionStainless steel 1/2" quick connection
Output Signal4~20mA/0~10VDC/RS485
Power Supply ①12~30VDC/24VAC±20%
Power Dissipation≤1.5W
Shell MaterialCast Aluminium
CommunicationRS-485 standard interface, Modbus RTU protocol
CertificatesROHS, CE
Explosion-Proof GertEXd IIC T6 Gb
DisplayLCD digital display
Weight (Approximate)Host machine: 1362g


Dimension

Dimension
Dimension

Documents & Drawings

Related Application

Contact Us
Any Need for LEFOO's products and supports?
sales@lefoo.com
E-mail
sales@lefoo.com
+86-0571-89293262
Call Us
+86-0571-89293262
Address
Address
NO.220 Weishiwu Rd. Economic Development Zone, Yueqing Zhejiang, 325600, China.
Please choose your items of interest *
We use cookies to optimise and personalise your experience, but you can choose to opt out of non-essential cookies.
To find out more, read our Privacy Policy
Reject All
Accept All