Lefoo 2000 - 2025
Lefoo 2000 - 2025
Email Us

LFM76
Explosion-proof Differential Pressure Transmitter

get a quote get a quote PDF Download PDF Download

LFM76 Explosion-proof Differential Pressure Transmitter is a high accuracy and high stability device designed for explosion risk environment. lt is equipped with multiple optional pressure ranges, with easy on-site adjustment through buttons. Use lp65 housing, suitable for energy management systems, HVAC, VAV and fan control, environmental pollution control, pressure and smoke hood control of static pipeline and clean room, oven pressurization, and boiler ventilation control.

  • Use MEMS micro pressure core, with high accuracy and wide working temperature range.

  • LCD digital display with clear reading.

  • Zero button available, pressure range adjustable.

  • Strong stability, long service life.

  • IP65 protection level housing.

SPECIFICATION
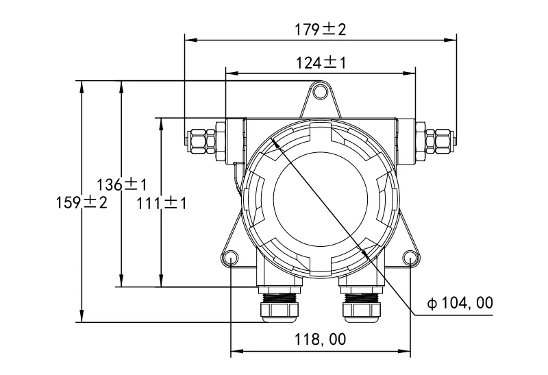
Dimension
Documents & Drawings
Related Application

SPECIFICATION

Measurement MediumAir or neutral gas
Pressure Range±100Pa~±10000Pa(customized)
Over Voltage10KPa; 80KPa(LFM76-3)
Accuracy±1.0%FS
Working Temperature-20℃~80℃
Compensation Temperature-10C~60℃
Storage Temperature-40℃~85℃
Response Time0.5s(default)/1.0s /2s /4s
Protection DegreeIP65
Pressure ConnectionStainless steel 1/2" quick connection
Output Signal4~20mA/0~10VDC/RS485
Power Supply ①12~30VDC/24VAC±20%
Power Dissipation≤1.5W
Shell MaterialCast Aluminium
CommunicationRS-485 standard interface, Modbus RTU protocol
CertificationROHS, CE
Explosion-Proof CertEXd llC T6 Gb
DisplayLCD digital display
Weight (Approximate)1362g

When the product is powered by AC power, it is recommended to use an isolated AC power supply.


Dimension

Dimension
Dimension

Documents & Drawings

Related Application

Contact Us
Any Need for LEFOO's products and supports?
sales@lefoo.com
E-mail
sales@lefoo.com
+86-0571-89293262
Call Us
+86-0571-89293262
Address
Address
NO.220 Weishiwu Rd. Economic Development Zone, Yueqing Zhejiang, 325600, China.
Please choose your items of interest *
We use cookies to optimise and personalise your experience, but you can choose to opt out of non-essential cookies.
To find out more, read our Privacy Policy
Reject All
Accept All