Lefoo 2000 - 2025
Lefoo 2000 - 2025
Email Us

LFP0140T
12VDC Demand Delivery Pump

get a quote get a quote PDF Download PDF Download

Performance data and curves

Data were tested at inlet pressure of 0PSI, ambient temperature and water temperature of 25℃, and voltage of 12V DC. The above is the test data of 3/8" pipe. If other pipe sizes are used, the test data will be different.


Temperature rise curve

The temperature rise curve is measured by the ambient temperature of 25℃, the inlet pressure of 0PSI, and the working pressure of 70PSI. In order to ensure the safety of the motor, the housing temperature exceeds approximately 73 °C, and the thermal protector is disconnected to cool the motor. The motor will be continuous working when the actual temperature rise of the motor is lower than the thermal protection disconnection temperature. All performance data and temperature curves are approximate, and actual conditions will vary with ambient conditions such as temperature.


Parameters
Dimension
Documents & Drawings
Related Application

Parameters

Performance parameter

Discharge
Pressure
/PSI
Flow Rate
/GPM
Flow Rate
/LPM
Current
/A
01.45.33.6
101.385.214.02
201.335.044.52
301.294.884.9
401.244.715.5
501.194.526
601.144.36.55
701.14.187.1


Shut-off pressure for selection

SelectionRated
voltage
Inlet Water
Pressure
Working
Flow Rate
Working
Current
SuctionShut-off
Pressure
Maximum
current
Connection
LFP0140T-3007012V DC0 PSI1.40GPM≤4.2A≥ 2 M70 PSI≤7.7A3/8"
side female quick

connector NPT3/8

Screw thread

LFP0140T-3006060 PSI≤7.1A
LFP0140T-3005050 PSI≤6.6A
LFP0140T-3004040 PSI≤6.1A
LFP0140T-3003030 PSI≤5.5A


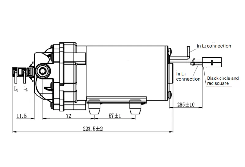
Dimension

Dimension
Dimension

Documents & Drawings

Related Application

Contact Us
Any Need for LEFOO's products and supports?
sales@lefoo.com
E-mail
sales@lefoo.com
+86-0571-89293262
Call Us
+86-0571-89293262
Address
Address
NO.220 Weishiwu Rd. Economic Development Zone, Yueqing Zhejiang, 325600, China.
Please choose your items of interest *
We use cookies to optimise and personalise your experience, but you can choose to opt out of non-essential cookies.
To find out more, read our Privacy Policy
Reject All
Accept All